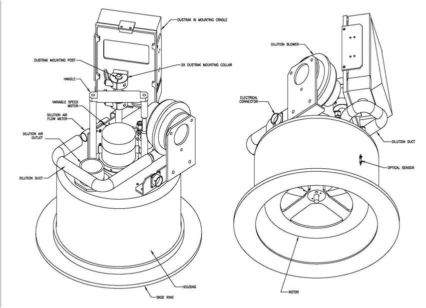
Portable In-Situ Wind ERosion Lab: PI-SWERL
The PI-SWERL, which stands for Portable In-Situ Wind ERosion Lab, has been in development at DRI since 2000. The PI-SWERL concept was motivated by the need for a portable device to test and measure the potential for wind erosion and dust emissions from real-world...
